ТОР 2800 (ОП)
Характеристики
Описание
Генератор огнетушащего аэрозоля переносной (забрасываемый) для оперативного применения «ТОР 2800(ОП)» с круговым истечением аэрозоля предназначен для ликвидации пожаров подкласса А2 и класса В (ГОСТ Р 53285-2009) в условно-герметичных помещениях производственных, административных, жилых зданий и сооружений, на железнодорожном и автомобильном транспорте, морских и речных судах, в том числе в помещениях с кабелями, электроустановками и электрооборудованием, находящимся под напряжением до 140 кВ.
ГАОП имеет климатическое исполнение О категории изделия 1; 1.1; 2; 2.1 по ГОСТ 15150-69. Рабочее значение температуры эксплуатации от -50°С до +60°С. Группа механического исполнения по ГОСТ 17516.1-90 – М 25; М 30.
Аэрозоль, образующийся в результате сгорания шашки состава "КЭП" при срабатывании генератора, не содержит озоноразрушаюших веществ. Класс опасности – 4.1 по ГОСТ 19433-88.
Технические характеристики:
| Наименование параметра, единица измерения | Значение |
| Масса ГАОП, снаряженного узлом пуска, кг | 5,40±0,54 |
| Масса АОС (аэрозолеобразующего состава) "КЭП", кг | 2,80±0,15 |
| Огнетушащая способность ГАОП, кг/ м3 - модельных очагов класса В - модельных очагов подкласса А2 |
0,022 |
Максимальный объем условно-герметичного помещения, в котором один ГАОП обеспечивает ликвидацию пламенного горения модельных очагов пожара, м3
|
127 |
| Время задержки срабатывания ГАОП после приведения его в действие, с | 7 ÷ 10 |
| Рабочее положение ГАОП, которое он занимает после броска | горизонтальное |
| Габаритные размеры, мм, не более: ● высота ● диаметр ● ширина (по ручке) |
107 |
| Класс опасности по ГОСТ 19433-88 | 4.1. |
| Максимальная температура корпуса ГАОП в месте контакта с опорной поверхностью во время и по окончании работы, С, не более | 160 °С |
Генераторы ТОР 2800 (ОП) рекомендуются для использования в качестве первичного средства пожаротушения, при тушении пожаров в условно-герметичных помещениях (согласно ГОСТ Р 53285-2009 условно-герметичным является помещение, у которого отношение суммарной площади открытых проемов к объему помещения не превышает 0,001 м-1) оперативными подразделениями пожарной охраны и другими лицами, прошедшими необходимый инструктаж по применению данных генераторов.
При тушении пожара в помещениях, превышающих объем по сравнению с заявленным в настоящем паспорте, для создания требуемой огнетушащей концентрации аэрозоля количество одновременно забрасываемых генераторов должно быть пропорционально увеличено. При защите помещения несколькими генераторами следует обеспечить минимальные перерывы в их забрасывании.
Замену устройства ручного пуска терочного УРП-ТЭ проводить через каждые 6 лет, начиная с даты его предъявления ОТК, в течение срока службы генератора.
После установки узла запуска в генератор необходимо исключить механические воздействия, способные привести к его случайному пуску.
После выдергивания вытяжного шнура устройства ручного пуска обязательно должен быть произведен немедленный заброс генератора. При случайном запуске генератора необходимо немедленно забросить его в безопасное для окружающих людей место, лучше всего на открытое пространство.
Не допускается:
- Производить сварочные работы, курить и пользоваться открытым огнем на расстоянии ближе 2,5 метров от генераторов.
- Снимать защитный колпачок устройства ручного пуска, если нет необходимости в применении генератора.
- Применять генераторы в помещениях, в которых находятся люди, и на путях эвакуации.
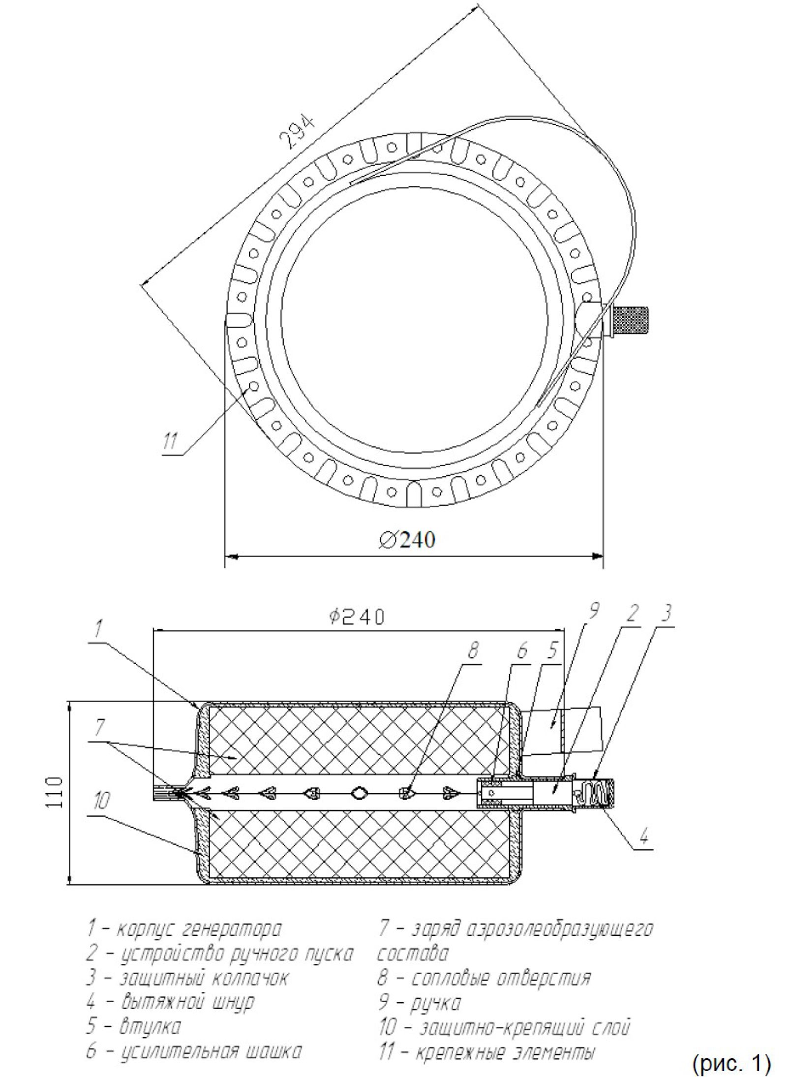
ТОР 2800 (ОП) – генераторы огнетушащего аэрозоля оперативного применения (забрасываемые) с круговым истечением аэрозоля.
Данный генератор особенно эффективен при тушении пожаров в объёмах насыщенных электрооборудованием и позволяет не дать огню распространиться до того, как пожарные получат уведомление о том, что электричество отключено и можно приступать к тушению. При возникновении пожара, необходимо резко из влечь из устройства предохранительную чеку и осуществить забрасывание генераторов в помещения, охваченные огнем. Устройство сработает с задержкой около 7-10 секунд. Забрасывание генераторов осуществляется, по возможности, на свободное пространство так, чтобы генератор лег на опорную поверхность (пол) плашмя и выход аэрозоля из сопловых отверстий осуществлялся беспрепятственно.
Для защиты небольших помещений на морских и речных судах выпускаются генераторы оперативного применения трех видов ТОР 1700МР(ОП), ТОР 2800МР(ОП) и ТОР 3500МР(ОП).
Об особенностях эксплуатации на морских и речных судах можете ознакомится на сайте ООО "СП” (ГК “ЭПОТОС")
Скачать паспорт и руководство по эксплуатации ТОР 2800 (ОП)





